WARTUNG FAQ
Wie läuft das Abpumpverfahren in den Flüssigkeitssammler ab?
Pump down Verfahren:
Das Abpumpen in den Flüssigkeitssammler wird im Falle von Wartungsarbeiten an der Anlage auf der Hoch- und Niederdruckseite oder wenn die Anlage für längere Zeit außer Betrieb genommen wird, durchgeführt.
 Es wird empfohlen, den Sollwert für den Saugdruck zu senken, um die entweichende Kältemittelmenge zu senken, die beim Eingriff in den Kreislauf entweicht.
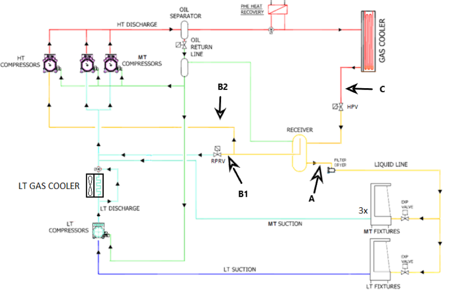
- Unterbrechen Sie die Kältemittelzufuhr zu den Verbrauchern, in dem Sie den Kugelhahn vor dem Flüssigkeitsleitungsfilters schließen (siehe Position A in der Skizze unten)
- Lassen Sie die Verbraucher weiterhin auf den Sollwert regeln.
 Lassen Sie das System einige Sart-Stopp Zyklen durchlaufen, um den größten Teil des Kältemittels im Sammler zurückzugewinnen.
 Warten Sie, bis die TK und NK Verdichter über den Niederdrucksollwert abschalten.
- Erzwingen Sie die Öffnung der elektronischen Expansionsventile im Verdampfer.
 Lassen Sie das System wieder einige Start-Stopp Zyklen durchlaufen, um den größten Teil des Kältemittels im Sammler zurückzugewinnen.
- Sperren Sie eventuell vorhandene Absperrventile zwischen Flüssigkeitssammler und NK- und Parallel Saugleitung (Position B1 und B2).
- Sperren Sie die Kugelhähne in Reihe der Ein- und Ausgänge des Ejektors (falls vorhanden).
- Starten Sie die Stillstandskühlung.
 Schalten Sie „SAEBK“ auf „on“ um die Stillstandskühlung manuell zu starten (siehe Abbildung B unten).
- Schalten Sie die Verdichter aus.
 Stellen Sie die Kompressorschalter auf dem Front Bedienteil auf „0“ (siehe Abbildung C unten).
- Sperren Sie die Hochdruckseite durch Schließen des Kugelhahns vor dem Hochdruck Ventil ab (Siehe Position C).
- Schalten Sie die Hauptstromversorgung der Anlage aus und überprüfen Sie, ob die Stillstandskühlung noch in Betrieb ist.
Der größte Teil des Kältemittels ist nun im Flüssigkeitssammler und die Anlage ist bereit für die Wartung; denken Sie daran, den zu wartenden Bereich über die Serviceventile zu entleeren.
Abbildung A:

| Abbildung B: | Abbildung C: | 
|  |  | 
Start nach dem Abpumpen:
- Schalten Sie den Hauptschalter der Anlage ein und prüfen Sie, ob die Ölsumpfheizungen aktiviert sind.
 Schalten Sie die Verdichter nicht sofort ein.
 Warten Sie bis die Öltemperatur etwa 20 K höher als die Umgebungstemperatur ist.
- Schalten Sie die Verdichter ein.
 Stellen Sie die Verdichter auf dem Front Bedienteil auf „Auto“.
- Öffnen Sie die Hochdruckseite.
- Öffnen Sie den Kugelhahn zwischen dem Flüssigkeitssammler und der MT/Parallelansaugung.
 Der Saugdruck steigt und die Kompressoren schalten sich allmählich ein.
- Schalten Sie alle Verdampfer aus, um das Schließen der elektronischen Expansionsventile zu erzwingen.
- Öffnen Sie das Ventil in der Flüssigkeitsleitung langsam.
- Nehmen Sie nach und nach die NK Verbraucher und danach die TK Verbraucher in Betrieb (Expansionsventile am Verbraucher wieder aktiv).
- Schalten Sie die Stillstandskühlung in den „Auto“-Modus (Schalten Sie SAEBK auf „off“).
